
一、气动高真空蝶阀 产品概述
上海川沪阀门有限公司生产的气动高真空蝶阀GUD是通过电磁换向阀改变气路方向,控制执行气缸驱动蝶阀作启闭运动,用于接通或切断真空管路中的气流。气动高真空蝶阀适用 介质为纯净空气和非腐蚀性气体,可选配反馈信号装置及电气阀门定位器。 |
|
气动高真空蝶阀 |
二、气动高真空蝶阀 主要技术参数
| 公称通径DN |
DN32~1000 |
| 动作范围 |
0~90° |
| 泄漏率 |
≤1.3×10-9Pa.M3/S |
| 适用压力范围 |
1.3×10-5Pa~3×105Pa |
| 工作温度 |
氟橡胶-25℃~+150℃ |
| 安装位置 |
任意 |
| 寿命 |
≥10000次 |
| 配用执行机构 |
GT、AT、AR、AW系列单双作用气动执行器 |
| 控制方式 |
开关两位控制、4~20mA模拟量信号控制 |
三、气动高真空蝶阀 执行机构
| 执行器型号 |
GT系列、SR系列、AT系列、AW系列单双作用气动执行器 |
| 供气压力 |
400~700KPa |
| 气源接口 |
G1/4"、G1/8"、G3/8"、G1/2" |
| 环境温度 |
-30~+70℃ |
| 作用形式 |
单作用执行机构:气关式(B)--失气时阀位开(FO);气开式(K)--失气时阀位关(FC)
双作用执行机构:气关式(B)--失气时阀位保持(FL);气开式(K)-- 失气时阀位保持(FL) |
| 可配附件 |
定位器、电磁阀、空气过滤减压器、保位阀、行程开关、阀位传送器、手轮机构等 |
四、气动高真空蝶阀 零件材料
| 零件名称 |
材料 |
| 阀体 |
304、316、316L |
| 蝶板 |
304、316、316L |
| 密封圈 |
硅橡胶、氟橡胶、聚四氟 |
| 阀杆 |
304、316、316L |
| 填料 |
硅橡胶、氟橡胶、聚四氟 |
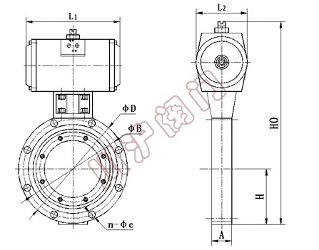
五、气动高真空蝶阀 外形尺寸图
六、气动高真空蝶阀 外形连接尺寸
| 型号 |
DN |
结构长度 |
ΦD |
ΦB |
n-Φc |
H0-H |
L1 |
| GIQ-32 |
32 |
70 |
90 |
22 |
4-Φ9 |
187 |
158 |
| GIQ-40 |
40 |
80 |
100 |
22 |
4-Φ9 |
197 |
158 |
| GIQ-50 |
50 |
90 |
110 |
22 |
4-Φ9 |
207 |
158 |
| GIQ-63 |
63 |
110 |
130 |
28 |
4-Φ9 |
227 |
158 |
| GIQ-80 |
80 |
125 |
145 |
28 |
8-Φ9 |
242 |
158 |
| GIQ-100 |
100 |
145 |
165 |
28 |
8-Φ9 |
262 |
158 |
| GIQ-125 |
125 |
175 |
200 |
34 |
8-Φ11 |
323 |
172 |
| GIQ-160 |
150 |
200 |
225 |
34 |
8-Φ11 |
348 |
172 |
| GIQ-200 |
200 |
260 |
285 |
40 |
12-Φ11 |
450 |
197 |
| GIQ-250 |
250 |
310 |
335 |
45 |
12-Φ11 |
525 |
248 |
| GIQ-320 |
300 |
395 |
425 |
50 |
12-Φ14 |
622 |
248 |
| GIQ-400 |
400 |
480 |
510 |
60 |
16-Φ14 |
733 |
295 |
| GIQ-500 |
500 |
580 |
610 |
70 |
16-Φ14 |
900 |
360 |
| GIQ-600 |
600 |
720 |
750 |
80 |
20-Φ14 |
980 |
370 |
| GIQ-800 |
800 |
890 |
920 |
100 |
24-Φ14 |
1220 |
410 |
| GIQ-1000 |
1000 |
1090 |
1120 |
120 |
32-Φ14 |
1594 |
580 |
注:表中尺寸为不带标准附件数据。另由于产品改进技术创新参数可能有一定变化,请咨询公司技术部门索取新数据。