
|
上海川沪阀门有限公司专业生产的H41H升降式止回阀适用于公称压力PN1.6~6.4MPa,工作温度-29~550℃的石油、化工、火力电站等各种工况的管路上,用来防止介质倒流,防止泵停止时介质倒流产生的水锤对泵和管道的破坏。适用介质为:水、油品、蒸汽等。H41升降式止回阀主要具有如下特点: 1、选材考究,符合国内、外相关标准,材料的全面质量高。 |
![]() |
H41H升降式止回阀 |
| 阀体 | 阀盖 | 阀瓣 | 阀座 | 适用介质 | 适用温度 (≤℃) |
| WCB | WCB+D507Mo | WCB+D577 | 水、油品、蒸汽 | 425 | |
| ZG1Cr18Ni9Ti | 0Cr18Ni9+ Stellite12 | 0Cr18Ni9+ Stellite6 | 销酸类 | 200 | |
| ZG1Cr18Ni2Mo2Ti | CF8M+Stellite12 | ZG1Cr18Ni2Mo2Ti | 磷酸、醋酸类、混酸 | 200 | |
| ZG00Cr17Ni14Mo2 | CF3M+Stellite12 | CF3M+Stellite6 | 尿素、甲铵液、磷酸 | 200 | |
| ZG1Cr5Mo | ZG1Cr5Mo+ Stellite12 | ZG1Cr5Mo+ Stellite6 | 水、油品、蒸汽 | 550 | |
![]() |
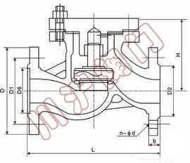
H41H升降式止回阀外形尺寸图 |
| DN | L | D | Dl | D2 | b | Z一φd | H | WT(Kg) |
| H41H一16C H41Y一16C H41Y一16P H41Y一16R H41Y一161 | ||||||||
| 15 | 130 | 95 | 65 | 45 | 14 | 4一φ14 | 77 | 3 |
| 20 | 150 | 105 | 75 | 55 | 14 | 4一φ14 | 77 | 4 |
| 25 | 160 | 115 | 85 | 65 | 14 | 4一φ14 | 80 | 5 |
| 32 | 180 | 135 | 100 | 78 | 16 | 4一φ18 | 85 | 7 |
| 40 | 200 | 145 | 110 | 85 | 16 | 4一φ18 | 95 | 9 |
| 50 | 230 | 160 | 125 | 100 | 16 | 4一φ18 | 105 | 10 |
| 65 | 290 | 180 | 145 | 120 | 18 | 4一φ18 | 120 | 20 |
| 80 | 310 | 195 | 160 | 135 | 20 | 8一φ18 | 130 | 30 |
| 100 | 350 | 215 | 180 | 155 | 20 | 8一φ18 | 140 | 39 |
| 125 | 400 | 245 | 210 | 185 | 22 | 8一φ18 | 155 | 50 |
| 150 | 480 | 280 | 240 | 210 | 24 | 8一φ23 | 180 | 70 |
| 200 | 600 | 335 | 295 | 265 | 26 | 12一φ23 | 211 | 231 |
| 250 | 730 | 405 | 355 | 320 | 30 | 12一φ25 | 260 | 25l |
| 300 | 850 | 460 | 410 | 375 | 34 | 12一φ25 | 323 | 395 |
注:表中尺寸为不带标准附件数据。另由于产品改进技术创新参数可能有一定变化,请咨询公司技术部门索取新数据。
|
|