
|
上海川沪阀门有限公司专业生产的H41铸铁升降式止回阀适用于低压、常温管路,用来防止介质倒流、破坏水泵,具有性价比高的特点,如果高温高压就不能选用铸铁材质。这种止回阀适用介质为:水、油品等。H41铸铁升降式止回阀开启压力比较高,所以适用于介质压力比较高的工况,比旋起式止回阀体积要小一点。一般常用于城市供水管网中。 |
![]() |
H41H升降式铸铁止回阀 |
| 设计与制造 | GB/T12235 | |
| 连接端尺寸 | 结构长度 | GB/T12221 |
| 法兰尺寸 | JB/T79 | |
| 检验与试验 | JB/T9092 | |
| 材料 | 碳钢 | GB/T12229 |
| 不锈钢 | GB/T12230 | |
| 合金钢 | Q/ZB66 | |
| 标志 | GB/T12220 | |
| 供货 | JB/T7928 | |
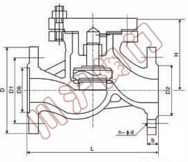
![]() |
H41H升降式铸铁止回阀外形尺寸图 |
| 口径 DN(mm) | 40 | 50 | 65 | 80 | 100 | 125 | 150 | 200 | 250 | 350 | 300 | 400 |
| L | 200 | 230 | 290 | 310 | 350 | 400 | 480 | 500 | 550 | 720 | 620 | 820 |
| D | 145 | 160 | 180 | 195 | 215 | 245 | 280 | 335 | 390 | 500 | 440 | 565 |
| H | 120 | 130 | 142 | 160 | 178 | 203 | 233 | 262 | 300 | 392 | 320 | 448 |
注:表中尺寸为不带标准附件数据。另由于产品改进技术创新参数可能有一定变化,请咨询公司技术部门索取新数据。
|
|