
|
上海川沪阀门有限公司专业生产的H42立式止回阀,适用于水、油、气体等各种介质。H42立式止阀门正常情况下处于关闭状态,由于管线中进口端介质的压力作用,而克服弹簧阻力使阀门开启。当进口端介质压力低于出口端时,弹簧将阀芯推向阀座而使阀门关闭,阻止介质逆流,故起止回作用。 |
![]() |
H42立式止回阀 |
| 设计与制造 | GB/T12235 | |
| 连接端尺寸 | 结构长度 | GB/T12221 |
| 法兰尺寸 | JB/T79 | |
| 检验与试验 | JB/T9092 | |
| 材料 | 碳钢 | GB/T12229 |
| 不锈钢 | GB/T12230 | |
| 合金钢 | Q/ZB66 | |
| 标志 | GB/T12220 | |
| 供货 | JB/T7928 | |
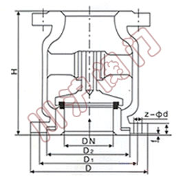
![]() |
H42立式止回阀外形尺寸图 |
| 型号 | 公称通径 DN | 尺寸(mm) | ||||||
| L | D | D1 | D2 | H | b | Z-Φd | ||
| H42W-16) | 15 | 130 | 95 | 65 | 45 | 77 | 14 | 4-14 |
| 20 | 150 | 105 | 75 | 55 | 77 | 14 | 4-14 | |
| 25 | 160 | 115 | 85 | 65 | 80 | 16 | 4-14 | |
| 32 | 180 | 135 | 100 | 78 | 85 | 16 | 4-18 | |
| 40 | 200 | 145 | 110 | 85 | 95 | 16 | 4-18 | |
| 50 | 230 | 160 | 125 | 100 | 105 | 16 | 4-18 | |
| 65 | 290 | 180 | 145 | 120 | 120 | 18 | 4-18 | |
| 80 | 310 | 195 | 160 | 135 | 130 | 20 | 8-18 | |
| 100 | 350 | 215 | 180 | 155 | 140 | 20 | 8-18 | |
| 125 | 400 | 245 | 210 | 185 | 155 | 22 | 8-18 | |
| 150 | 480 | 280 | 240 | 210 | 180 | 24 | 8-23 | |
| 200 | 600 | 335 | 295 | 265 | 215 | 26 | 12-23 | |
注:表中尺寸为不带标准附件数据。另由于产品改进技术创新参数可能有一定变化,请咨询公司技术部门索取新数据。
|
|