
一、电动三通球阀 产品概述
川沪牌电动三通球阀是由CHR角行程电动执行器及三通球阀组成,是一种旋转类切断、调节阀门,具有关闭严密,结构紧凑,重量轻,维修方便等优点。电动三通球阀以220V单相交流电为动力源,接受控制系统的开关信号,通过单相电源切换驱动可逆单相齿轮减速机,使球阀按规定要求对管路进行切换。两阀座密封电动三通球阀具有结构紧凑、外型美观、密封性能好,它能实现对管道中介质流向的切换,也能使相互垂直的两个通道连通或关闭。四阀座密封电动三通球阀具有造型美观、结构紧凑合理。它不仅可实现介质流向的切换,也可使三个通道相互连通,现时也可关闭任一通道,使另外两个通道连通,灵活控制管路中介质的合流或分流。
电动三通球阀适用于供水、石化、冶金、矿山、轻纺、能源、造纸、食品、钢铁等管路系统中对介质流向进行切换以及对介质的分流或混合流体。 |
|
Q944/45F电动三通球阀 |
二、电动三通球阀 主要特点
1、结构紧凑、启闭迅速、流道畅通、流体阻力小。
2、密封性能好:利用四面阀座材料聚四氟乙烯弹性变形实现无泄漏密封。
3、一阀多用:任一通口可用作入口而无泄漏,三通既可制成L型通口,也可制成T型通口。
4、维修方便:在系统卸压后,无需拆下整个阀体就可进行检查和维修。 |
三、电动三通球阀 主要技术参数
1、阀体
| 阀体形式 |
三通铸造球型阀 |
| 公称通径 |
DN15~200mm |
| 公称压力 |
PN1.6、2.5、4.0 MPa;ANSI 150、300LB ;JIS 10、20、30K |
| 法兰标准 |
GB/T9113、 JB/T79、HG20594及其他标准 |
| 连接形式 |
法兰(FF RF RTJ)、焊接(SW BW)、螺纹(锥螺纹、管螺纹) |
| 阀盖形式 |
整体式 |
| 压盖型式 |
螺栓压紧式 |
| 密封填料 |
V型聚四氟乙烯填料、含浸聚四氟乙烯填料、石棉编织填料、柔性石墨 |
| 阀体材料 |
铸钢(WCB)、不锈钢(CF8、CF8M、CF3、CF3M) |
2、阀内件
| 阀芯形式 |
O型球体阀芯+电子抛光 |
| 流量特性 |
近似快开特性 |
| 阀芯材料 |
不锈钢(CF8、CF8M、CF3、CF3M)+氮化处理 |
3、执行器
| 执行器型号 |
CHR、3810R、DZW、HQ、PSQ |
| 主要技术参数 |
电源电压:220V/50Hz、380V/50Hz、输入信号:4-20mA或1-5V·DC、输出信号:4-20mA·DC |
| 防护等级:相当IP65(或IP67)、隔爆标志:ExdⅡBT4(CT5)、手操功能:手柄、手轮 |
| 环境温度:-25~+70℃、环境湿度:≤95% |
四、电动三通球阀 阀门控制方式
电动三通球阀分L型和T型,介质流通方向见下图。L型电动三通球阀适用于介质流向的切换,能使相互垂直的两个通道连通:T型电动三通球阀适用于介质的分流、合流或流向 切换,T型孔道可以使三个通道互相连通或使其中两个通道连通,电动三通球阀一般采用两个阀座结构,亦可根据用户要求采用四阀座结构。 |
|
五、电动三通球阀 主要性能规范
| 公称通径 DN(mm) |
15 |
20 |
25 |
32 |
40 |
50 |
65 |
80 |
100 |
125 |
150 |
200 |
| 允许压差(MPa) |
≤ 公称压力 |
| 动作范围 |
0~90° |
| 泄露量Q |
按GB/T4213-92,小于额定KV0.01% |
| 基本误差 |
±1% |
| 回差 |
±1% |
| 死区 |
≤1% |
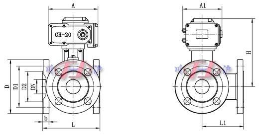
六、电动三通球阀 外形尺寸图
七、电动三通球阀 外形连接尺寸
| 公称通径 DN(mm) |
15 |
20 |
25 |
32 |
40 |
50 |
65 |
80 |
100 |
125 |
150 |
200 |
| L |
150 |
150 |
180 |
200 |
220 |
240 |
260 |
280 |
320 |
380 |
440 |
550 |
| L1 |
75 |
75 |
90 |
100 |
110 |
120 |
130 |
140 |
160 |
190 |
220 |
275 |
| H |
根据所配执行机构而定 |
| D |
95 |
105 |
115 |
140 |
150 |
165 |
185 |
200 |
220 |
250 |
285 |
340 |
| D1 |
65 |
75 |
85 |
100 |
110 |
125 |
145 |
160 |
180 |
210 |
240 |
295 |
| D2 |
46 |
56 |
65 |
76 |
84 |
99 |
118 |
132 |
156 |
184 |
211 |
266 |
| b |
14 |
16 |
16 |
18 |
18 |
20 |
20 |
20 |
22 |
22 |
24 |
24 |
| A、A1 |
根据阀门所需力矩而定,配置机型不同,外形尺寸也不相同 |
注:表中尺寸为不带标准附件数据。另由于产品改进技术创新参数可能有一定变化,请咨询公司技术部门索取新数据。