
HQ型电动执行机构是引进韩国新技术用于控制90°旋转的阀门及其他同类产品,如蝶、球阀、风门、挡板阀、旋塞阀、百叶阀等,HQ智能型电动执行器、角行程电动执行器广泛应用于石油、化工、水处理、造纸、电站、供热,轻工等各行业中。它以380V/220V/110V交流电源为驱动。以4-20mA电流信号或0-10V DC 电压信号为控制信号,可使阀门运动到所需位置,实现其自动化控制,大输出扭距达3000Nm。 |
![]() |
HQ智能型电动执行机构 |
| 型号 | 大输出扭距 | 动作时间 60/50HZ |
大轴径 | 电机F级 | 额定电流(A)50HZ | 手轮转数 | 重量 | |||
|---|---|---|---|---|---|---|---|---|---|---|
| 单相 | 三相 | |||||||||
| N·m | 90° | mm | W | 110V | 220V | 380V | 440V | N | kg | |
| HQ-008 | 80 | 13/16 | φ20 | 15 | 1.20 | 0.45 | N/A | N/A | 10 | 7.4 |
| HQ-015 | 150 | 21/25 | φ22 | 40 | 1.65 | 0.88 | 0.31 | 0.30 | 11 | 13 |
| HQ-020 | 200 | 21/25 | φ22 | 40 | 1.67 | 0.89 | 0.31 | 0.30 | 11 | 13 |
| HQ-030 | 300 | 26/31 | φ35 | 40 | 1.85 | 0.92 | 0.35 | 0.34 | 13.5 | 23 |
| HQ-050 | 500 | 26/31 | φ35 | 90 | 3.60 | 1.55 | 0.59 | 0.58 | 13.5 | 24 |
| HQ-060 | 600 | 26/31 | φ35 | 90 | 3.65 | 1.60 | 0.60 | 0.59 | 13.5 | 24 |
| HQ-080 | 800 | 31/37 | φ45 | 180 | 4.10 | 2.15 | 0.85 | 0.79 | 16.5 | 29 |
| HQ-120 | 1200 | 31/37 | φ45 | 180 | 4.20 | 2.35 | 0.87 | 0.81 | 16.5 | 29 |
| HQ-200 | 2000 | 93/112 | φ65 | 180 | 4.10 | 2.15 | 0.85 | 0.79 | 49.5 | 78 |
| HQ-300 | 3000 | 93/112 | φ65 | 180 | 4.20 | 2.35 | 0.87 | 0.81 | 49.5 | 78 |
1.壳体-壳体为硬质铝合金,经阳极氧化处理和聚酯粉末涂层,耐腐蚀性强,防护等级为IP67,NEMA4和6,并有IP68和防爆型供选择。
2.电机-全封闭式鼠笼式电机,体积小,扭距大,惯性力小,绝缘等级为F级,内置热保护开关,可防止损坏电机。
3.手动结构-手轮的设计保证安全可靠、省力、体积小。不通电时,扳动离合器手柄可进行手动操作。通电时,离合器自动复位。
4.指示器-指示器安装在中心轴上,可以观察阀门位置。透镜采用凸出镜设计,不积水,观察更方便。
5.干燥器-用来控制温度,防止由于温度和天气变化导致执行器内部水分凝结,保持内部电气元件的干燥。
6.限位开关-机械、电子双重限位。机械限位螺钉可调,安全可靠;电子限位开关由凸轮机构来控制,简单的调整机构能精确并方便地设定位置,且不受手轮过量的影响。
7.扭距开关-(HQ-010除外)可提供过载保护,防止损坏电机。(出厂前已设定好,请用户不要随意更改设置)
8.自锁-精密的双蜗轮蜗杆机构可高效传输大扭距,效率高,噪音低(大50分贝),寿命长有自锁功能,防止反转,传动部分稳定可靠部分稳定可靠,无需再加油。
9.防脱螺栓-拆除外壳时,螺栓附在壳体上,不会脱落。
10.安装-底部安装尺寸符合ISO5211国际标准,驱动轴套可拆下根据需要进行加工,适应性强。可以垂直安装,也可以水平安装。11.线路-控制线路符合单相或三相电源标准,线路布置紧凑合理,接线端子可有效满足各种附加功能的要求。
12.蜗轮-采用凹轮设计,与蜗杆的接触面大,传输扭距大,平衡且耐磨,使用寿命长。
13.PCU板-结构紧凑合理,将PCU板内置于机壳内。
| 外壳 | 防水级别 IP67,NEMA4 and 6 |
|---|---|
| 电机电源 | 110/220V AC 1PH,380/440V AC 3PH, 50/60Hz, ±10% |
| 控制电源 | 110/220V AC 1PH,50/60 Hz, ±10% |
| 电机 | 鼠笼式异步电动机 |
| 限位开关 | 2 X 开/关, SPDT,250V AC 10A |
| 辅助限位开关 | 2 X 开/关, SPDT,250V AC 10A |
| 扭距开关 | 开/关 ,SPDT,250V AC 10A |
| 行程 | 90°±10° |
| 失速保护/操作温度 | 内置热保护,开150℃ ±5℃ /关 97℃ ±15℃ |
| 指示器 | 连续的位置指示 |
| 手动操作 | 机械离合机构 |
| 自锁装置 | 蜗轮,蜗杆机构提供自锁 |
| 机械限位 | 2个外部调整螺栓 |
| 干燥器 | 7-10W (110/220V AC)防冷凝 |
| 接线孔 | 2个PF 3/4" |
| 环境温度 | -20℃--+70℃ |
| 润滑 | 铝基润滑脂(EP 型) |
| 材料 | 钢,铝合金,铝青铜,聚碳酸脂 |
| 环境温度 | 大90% RH |
| 抗震性能 | X Y Z 10g,0.2~34 Hz,30分钟 |
| 外涂层 | 干粉,环氧聚酯 |
![]() |
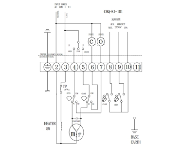
HQ智能型电动执行机构 开关型接线 |
![]() |
HQ智能型电动执行机构 调节型接线 |
注:表中尺寸为不带标准附件数据。另由于产品改进技术创新参数可能有一定变化,请咨询公司技术部门索取新数据。
|
|