
|
上海川沪专业生产的FQ41F46衬氟放料球阀是衬里球阀的延伸产品,为各种强腐包性介质的启闭控制而设计,阀门的两端法兰大小不等,一端为标准法兰一端为与反应釜底放料孔配套的法兰,很方便的就可以连接在反应釜底。其结构形式为浮动直通式,连接形式为法兰,阀外壳采用碳钢内衬里颜料,阀球为与阀杆一体式金属嵌件外包氟塑料工艺制造,具有耐腐密封性好、启闭灵活、快速的特点且外型美观、强度高、经久耐用。是现代化工工艺流程中使用为广泛的耐腐阀门。 |
![]() |
衬氟放料球阀 |
| 设计规范 | GB 12237 / API 608 / API 6D |
| 驱动方式 | 手动、蜗轮传动、气动、电动 |
| 公称通径 | (DN) 50、80 mm |
| 公称压力 | (PN) 1.0 MPa,1.6 MPa,2.5 MPa |
| 适用温度 | -50~180 ℃ |
| 备注 | FQ641F型衬氟放料球阀衬氟放料球阀、L值为企业标准,左法兰比右法兰大一档,D1与反应釜连接,分子为右法兰尺寸,分母为左法兰JB78尺寸,配反应釜50L-5000L。 |
![]() |
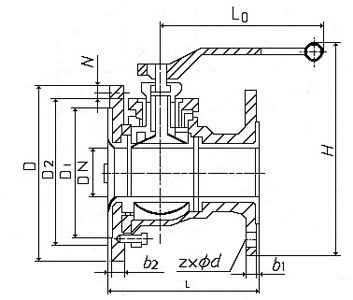
衬氟放料球阀外形尺寸图 |
| 公称通径 | PN 0.6-1.6(MPa)主要外形尺寸和连接尺寸(mm) | ||||||||
| DN | L | D | D1 | D2 | f | b | z-φd | D0 | H |
| 25/50 | 125 | 115/140 | 85/110 | 65/90 | 3/3 | 17/17 | 4-φ14/4-φ14 | 180 | 105 |
| 32/65 | 135 | 140/160 | 100/130 | 78/110 | 3/3 | 19/17 | 4-φ18/4-φ14 | 180 | 120 |
| 40/65 | 150 | 150/160 | 11/130 | 85/110 | 3/3 | 19/17 | 4-φ18/4-φ14 | 225 | 140 |
| 40/80 | 150 | 150/190 | 110/150 | 85/125 | 3/3 | 19/19 | 4-φ18/4-φ18 | 225 | 140 |
| 50/80 | 165 | 165/190 | 125/150 | 100/125 | 3/3 | 21/19 | 4-φ18/4-φ18 | 225 | 150 |
| 50/100 | 165 | 165/210 | 125/170 | 100/145 | 3/3 | 21/19 | 4-φ18/4-φ18 | 225 | 150 |
| 65/100 | 180 | 185/210 | 145/170 | 120/145 | 3/3 | 21/19 | 4-φ18/8-φ18 | 360 | 160 |
| 65/125 | 180 | 185/210 | 145/200 | 120/175 | 3/4 | 21/20 | 8-φ18/8-φ18 | 360 | 160 |
| 80/125 | 240 | 200/240 | 160/200 | 135/175 | 3/4 | 21/20 | 8-φ18/8-φ18 | 420 | 215 |
| 80/150 | 240 | 200/265 | 160/225 | 135/200 | 3/4 | 21/22 | 8-φ18/8-φ18 | 420 | 215 |
| 100/150 | 260 | 220/265 | 180/225 | 155/200 | 3/4 | 23/22 | 8-φ18/8-φ18 | 420 | 240 |
| 100/200 | 260 | 220/320 | 180/280 | 155/255 | 3/4 | 23/24 | 8-φ18/8-φ18 | 420 | 240 |
注:表中尺寸为不带标准附件数据。另由于产品改进技术创新参数可能有一定变化,请咨询公司技术部门索取新数据。
|
|