
|
上海川沪阀门有限公司专业生产的G41C堰式搪瓷隔膜阀,在隔膜阀内壁涂有搪瓷层,搪瓷具有表面十分光滑和具有隔离金属离子的特性,可以适用于比较特殊的介质,也耐强腐蚀。设计与制造标准: GB12239 结构长度标准: GB12221 、 JB1688 法兰连接尺寸标准: GB4216 、 JB78 |
![]() |
堰式搪瓷隔膜阀 |
| 部件 | 材质 |
| 阀体 | 铸铁 |
| 阀盖 | 铸铁 |
| 衬里 | 玻璃搪瓷 |
| 隔膜 | 橡胶、氟塑料 |
| 阀瓣 | 铸铁 |
| 阀杆 | 碳钢 |
| 手轮 | 铸铁 |
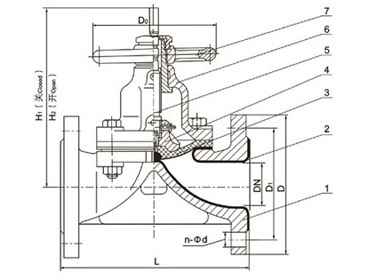
![]() |
堰式搪瓷隔膜阀外形尺寸图 |
| 公称通径 | 公称压力 | 工作压力 | L | D | D1 | n-φd | H1 | H2 | D0 | 质量 |
| DN | MPa | MPa | mm | mm | mm | mm | mm | mm | mm | kg/kilos |
| 15 | 1.0 | 1.0 | 125 | 95 | 65 | 4-14 | 105 | 112 | 100 | 3 |
| 20 | 135 | 105 | 75 | 4-14 | 116 | 125 | 100 | 4 | ||
| 25 | 145 | 115 | 85 | 4-14 | 123 | 137 | 120 | 5.5 | ||
| 32 | 160 | 135 | 100 | 4-18 | 134 | 152 | 120 | 7 | ||
| 40 | 180 | 145 | 110 | 4-18 | 155 | 175 | 140 | 9 | ||
| 50 | 210 | 160 | 125 | 4-18 | 171 | 197 | 140 | 12 | ||
| 65 | 0.6 | 250 | 180 | 145 | 4-18 | 206 | 240 | 200 | 19 | |
| 80 | 300 | 195 | 160 | 4-18 | 220 | 260 | 200 | 26 | ||
| 100 | 350 | 215 | 180 | 8-18 | 272 | 324 | 280 | 39 | ||
| 125 | 400 | 245 | 210 | 8-18 | 338 | 406 | 280 | 63 | ||
| 150 | 460 | 280 | 240 | 8-23 | 380 | 460 | 320 | 86 | ||
| 200 | 0.4 | 570 | 335 | 295 | 8-23 | 506 | 626 | 400 | 142 |
注:表中尺寸为不带标准附件数据。另由于产品改进技术创新参数可能有一定变化,请咨询公司技术部门索取新数据。
|
|