
|
上海川沪阀门有限公司专业生产的G41F46衬氟隔膜阀是一种特殊形式的具有截断功能的阀门,其启闭件由钢质阀瓣与氟塑料制成的隔膜组成,并将阀体内腔隔开以达到截断管内介质之目的。衬氟隔膜阀的复合隔膜将阀体下部腔与阀盖内腔隔开,并与之形成直流通道,使隔膜上部的阀杆、阀瓣等内件与介质完全隔离,省去填料密封结构,介质的内漏和外漏可同时避免;做为执行元件的膜件由于频繁的启闭易产生疲劳断裂,应视工况,介质特性进行定期更换。 |
![]() |
G41F46衬氟隔膜阀 |
| 序号 | 零件名称 | 灰铸铁 | 铸钢 | 不锈耐酸铸钢 | 超低碳不锈耐酸铸钢 | ||
| Z | C | P | R | PL | RL | ||
| 1 | 阀体/阀盖 | HT250 | WCB | CF8 | CF8M | CF3 | CF3M |
| 2 | 阀瓣/阀杆 | 25 | 2Cr13 | 1Cr18Ni9 | 1Cr18Ni12Mo2Ti | 00Cr18Ni10 | 00Cr17Ni14Mo2 |
| 3 | 衬里/阀座 | PCTEF(F3),FEP(F46),PFA(可溶F4),PP,PO | |||||
| 4 | 隔膜 | FEP(F46)/CR(氯丁橡胶)PFA(可溶F4)/FPDM(乙丙橡胶) | |||||
| 5 | 支架 | PTFE(F4) | CF8 | CF8 | |||
| 6 | 阀杆螺母 | ZCuAl10Fe3 | ZCuAl10Fe3 | ZCuAl10Fe3 | |||
| 7 | 紧固螺栓 | 35 | 1Cr17Ni2 | 1Cr18Ni9Ti | |||
| 8 | 螺母 | 45 | 0Cr18Ni9 | 0Cr18Ni9 | |||
| 9 | 手轮 | WCB | WCB | WCB | |||
![]() |
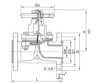
G41F46衬氟隔膜阀外形尺寸图 |
| 公称通径 | L | D | D1 | D2 | f | b | Z-φd | D | D1 | D2 | f | b | |
| DN(mm) | PN1.0MPa | ||||||||||||
| PN15 | 125 | 80 | 55 | 40 | 2 | 12 | 4-φ12 | 95 | 65 | 45 | 2 | 14 | |
| 20 | 135 | 90 | 65 | 50 | 2 | 14 | 4-φ12 | 105 | 75 | 55 | 2 | 16 | |
| 25 | 145 | 100 | 75 | 60 | 2 | 14 | 4-φ12 | 115 | 85 | 65 | 2 | 16 | |
| 32 | 160 | 120 | 90 | 70 | 2 | 16 | 4-φ14 | 135 | 100 | 78 | 2 | 18 | |
| 40 | 180 | 130 | 100 | 80 | 3 | 16 | 4-φ14 | 145 | 110 | 85 | 3 | 18 | |
| 50 | 210 | 140 | 110 | 90 | 3 | 16 | 4-φ14 | 160 | 125 | 100 | 3 | 20 | |
| 65 | 250 | 160 | 130 | 110 | 3 | 16 | 4-φ14 | 180 | 145 | 120 | 3 | 20 | |
| 80 | 300 | 185 | 150 | 125 | 3 | 18 | 4-φ18 | 195 | 160 | 135 | 3 | 22 | |
| 100 | 350 | 205 | 170 | 145 | 3 | 18 | 4-φ18 | 215 | 180 | 155 | 3 | 22 | |
| 125 | 400 | 235 | 200 | 175 | 3 | 20 | 8-φ18 | 245 | 210 | 185 | 3 | 24 | |
| 150 | 460 | 260 | 225 | 200 | 3 | 20 | 8-φ18 | 280 | 240 | 210 | 3 | 24 | |
| 200 | 570 | 315 | 280 | 255 | 3 | 22 | 8-φ18 | 335 | 295 | 265 | 3 | 26 | |
| 250 | 680 | 370 | 335 | 310 | 3 | 24 | 12-φ28 | 390 | 350 | 320 | 3 | 28 | |
| 300 | 790 | 435 | 395 | 362 | 4 | 24 | 12-φ23 | 440 | 400 | 368 | 4 | 28 | |
注:表中尺寸为不带标准附件数据。另由于产品改进技术创新参数可能有一定变化,请咨询公司技术部门索取新数据。
|
|