
|
上海川沪专业生产的G45J直流式衬胶隔膜阀,是用来改变通路断面和介质流动方向,具有导流、截止、调节、节流、止回、分流或溢流等功能。直流式衬胶隔膜阀可用于控制水、蒸汽、油品、气体、泥浆、各种腐蚀性介质、 液态金属和放射性流体等流体的流动,这种结构,可以有效降低介质流通时的流阻,比堰式的隔膜阀多增加一些流体能力。 |
![]() |
直流式衬胶隔膜阀 |
| 设计标准 | GB12239 |
| 结构长度 | JB1688/GB12221 |
| 法兰标准 | JB78 |
| GB4216 | |
| 检验试验 | GB/T13927 |
| 驱动方式 | 手动、电动、气动、常闭型、常开型 |
![]() |
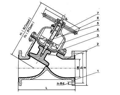
直流式衬胶隔膜阀外形尺寸图 |
| DN mm |
公称压力 MPa |
工作压力 MPa |
L (mm) |
D (mm) |
D1 (mm) |
n-φd (mm) |
F (mm) |
H1 (mm) |
H2 (mm) |
D0 (mm) |
质量 |
| 25 | 0.6 | 0.6 | 145 | 115 | 85 | 4-14 | 2 | 178 | 190 | 120 | - |
| 32 | 160 | 140 | 100 | 4-18 | 2 | 196 | 217 | 140 | - | ||
| 40 | 180 | 150 | 110 | 4-18 | 3 | 196 | 217 | 140 | 14 | ||
| 50 | 210 | 165 | 125 | 4-18 | 3 | 219 | 240 | 200 | 20 | ||
| 65 | 250 | 185 | 145 | 4-18 | 3 | 264 | 272 | 200 | 29 | ||
| 80 | 300 | 200 | 160 | 4-18 | 3 | 285 | 315 | 280 | 42 | ||
| 100 | 350 | 220 | 180 | 8-18 | 3 | 352 | 383 | 320 | 61 | ||
| 125 | 400 | 250 | 210 | 8-18 | 3 | 470 | 515 | 320 | 79.5 | ||
| 150 | 0.4 | 460 | 285 | 240 | 8-22 | 3 | 508 | 554 | 400 | 150 | |
| 200 | 570 | 340 | 295 | 8-22 | 4 | 602 | 660 | 500 | 236.5 | ||
| 250 | 680 | 395 | 350 | 12-22 | 4 | 708 | 786 | 500 | - | ||
| 300 | 790 | 445 | 400 | 12-22 | 4 |
注:表中尺寸为不带标准附件数据。另由于产品改进技术创新参数可能有一定变化,请咨询公司技术部门索取新数据。
|
|