
|
上海川沪阀门有限公司专业生产的G941F46电动衬氟隔膜阀,专用于控制腐蚀性介质,阀体内腔表面衬有F4或者F46,适用于85-150℃的腐蚀性介质,比如强酸强碱等,电动执行机构可以选择220V电压,也可以选用380V电压,控制方式可以根据实际情况选择开关型或者调节型。 |
![]() |
G941F46电动衬氟隔膜阀 |
| 名称 | 材料 |
| 阀体 | 灰铸铁、不锈钢、灰铸铁/衬胶、氟塑料 |
| 阀盖 | 灰铸铁 |
| 阀瓣 | 灰铸铁 |
| 隔膜 | F4/F46 |
| 阀杆 | 碳钢 |
![]() |
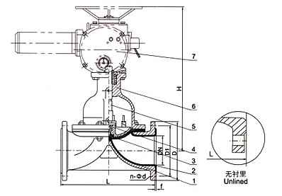
G941F46电动衬氟隔膜阀外形尺寸图 |
| 公称通径 DN |
公称压力 MPa |
工作压力 MPa |
L mm |
D mm |
D1 mm |
n-Фd mm |
f mm |
H mm |
型号 | 输出力矩 MPa |
启闭时间S | 质量 Kg/kilos |
| 15 | 1.6 | 1.6 | 108 | 95 | 65 | 4-14 | 2 | |||||
| 20 | 117 | 105 | 75 | 4-14 | 2 | |||||||
| 25 | 127 | 115 | 85 | 4-14 | 2 | 445 | Z5-18/16 | 50 | 17 | 40 | ||
| 32 | 146 | 140 | 100 | 4-18 | 2 | 457 | Z5-18/16 | 50 | 20 | 41 | ||
| 40 | 159 | 150 | 110 | 4-18 | 2 | 466 | Z5-18/16 | 50 | 14 | 44 | ||
| 50 | 190 | 165 | 125 | 4-18 | 2 | 480 | Z10-18/16 | 50 | 20 | 50 | ||
| 65 | 1.0 | 1.0 | 216 | 185 | 145 | 4-18 | 2 | 517 | Z10-18/16 | 150 | 28 | 60 |
| 80 | 254 | 200 | 160 | 8-18 | 2 | 539 | Z10-36/25 | 100 | 16 | 70 | ||
| 100 | 305 | 220 | 180 | 8-18 | 2 | 576 | Z10-36/25 | 100 | 17 | 77 | ||
| 125 | 356 | 250 | 210 | 8-18 | 3 | 634 | Z15-18/25 | 150 | 32 | 92 | ||
| 150 | 406 | 285 | 240 | 8-22 | 3 | 660 | Z20-18/25 | 200 | 53 | 120 | ||
| 200 | 0.6 | 0.6 | 521 | 340 | 295 | 8-22 | 3 | 860 | Z20-36/25 | 300 | 33 | 180 |
注:表中尺寸为不带标准附件数据。另由于产品改进技术创新参数可能有一定变化,请咨询公司技术部门索取新数据。
|
|