
|
上海川沪阀门有限公司专业生产的G941J电动衬胶隔膜阀,是用来改变通路断面和介质流动方向,具有导流、截止、调节、节流、止回、分流或溢流等功能。电动衬胶隔膜阀可用于控制水、蒸汽、油品、气体、泥浆、各种腐蚀性介质、 液态金属和放射性流体等流体的流动。 电动衬胶隔膜阀专用于控制非腐蚀性或一般腐蚀性介质,阀体内腔表面无衬里或覆有可供选择的各种橡胶,适用于不同工作温度和流体管路,复合隔膜将阀体下部腔与阀盖内腔隔开,并与之形成直流通道,使隔膜上部的阀杆,阀瓣等内件与介质完全隔离,省去填料密封结构,介质的内漏和外漏可同时避免。 电动执行器根据需要可以选择380V或者220V。 |
![]() |
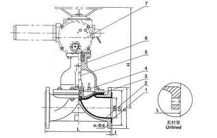
G941J电动衬胶隔膜阀 |
| 设计标准 | GB12239 |
| 结构长度 | JB1688/GB12221 |
| 法兰标准 | JB78 |
| GB4216 |
![]() |
G941J电动衬胶隔膜阀外形尺寸图 |
| 型 号 | 公称通径 DN(mm) |
尺 寸 (mm) | 重 量 (kg) |
|||||||
| L | D1 | D | n-d | H | 型号 | 输出力矩 N-m |
启闭时间(S) | |||
| J型 | ||||||||||
| G941W-6 G941J-6 G941FS-6 G941W-10 G941J-10 G941FS-10 |
15 | 125 | 65 | 95 | 4-14 | |||||
| 20 | 135 | 75 | 105 | 4-14 | ||||||
| 25 | 145 | 85 | 115 | 4-14 | 445 | Z5-18/16 | 50 | 17 | 40 | |
| 32 | 160 | 100 | 140 | 4-14 | 457 | Z5-18/16 | 50 | 20 | 42 | |
| 40 | 180 | 110 | 150 | 4-18 | 466 | Z5-18/16 | 50 | 14 | 45 | |
| 50 | 210 | 125 | 165 | 4-18 | 480 | Z10-18/16 | 50 | 20 | 50 | |
| 65 | 250 | 145 | 185 | 4-18 | 517 | Z10-18/16 | 150 | 28 | 60 | |
| 80 | 300 | 160 | 200 | 4-18 | 539 | Z10-36/25 | 100 | 16 | 70 | |
| 100 | 350 | 180 | 220 | 8-18 | 576 | Z10-36/25 | 100 | 17 | 80 | |
| 125 | 400 | 210 | 250 | 8-18 | 634 | Z15-18/25 | 150 | 32 | 104 | |
| 150 | 460 | 240 | 285 | 8-23 | 660 | Z15-18/25 | 150 | 53 | 125 | |
| 200 | 570 | 295 | 340 | 8-23 | 860 | Z20-18/25 | 200 | 53 | 180 | |
| 250 | 680 | 350 | 395 | 12-23 | 930 | Z20-18/25 | 200 | 53 | 280 | |
| 300 | 790 | 400 | 445 | 12-23 | 1003 | ZD30-36a | 300 | 45 | 434 | |
| 350 | 900 | 460 | 505 | 16-23 | 1028 | ZD30-36a | 300 | 45 | 476 | |
注:表中尺寸为不带标准附件数据。另由于产品改进技术创新参数可能有一定变化,请咨询公司技术部门索取新数据。
|
|