
|
上海川沪阀门有限公司专业生产的GM型高真空隔膜阀用于接通或切断真空(压力)系统管路中的介质,高真空隔膜阀广泛应用于真空、乳制品、酒业、生物工程、食品、制药、饮料、化妆品及化工领域。 |
![]() |
GM高真空隔膜阀 |
| 阀门漏率:Valve Leak Rate | ≤1.3×10-4Pa.L/S. | |
| 适用温度:Applicable Temperature | -25~+80℃(丁腈橡胶) -30~+150℃(氟橡胶) |
|
| 适用范围:Applicability | ||
| 连接型式 Loose Flange | 使用压力范围(Pa) | |
| 活套法兰(GB6070、JB919) | 0.6×106~1.3×10-4 | |
| 焊接法兰(GB6070、JB919) | 1.6×106~1.3×10-4 | |
| 快卸法兰(GB4982) | 0.1×106~1.3×10-4 | |
| 螺纹连接 Threaded Connection | 1.6×106~1.3×10-4 | |
![]() |
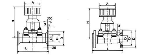
GM高真空隔膜阀外形尺寸图 |
| Model 型号 |
DN | Do | D | n-φc | W | H/H1 | L |
| GM-10 | 10 | 40 | 55 | 4-φ6.6 | 65 | 89/99 | 75 |
| GM-16 | 16 | 45 | 60 | 4-φ6.6 | 80 | 89/99 | 108 |
| GM-20 | 20 | 50 | 65 | 4-φ6.6 | 80 | 91/102 | 118 |
| GM-25 | 25 | 55 | 70 | 4-φ6.6 | 80 | 110/123 | 120 |
| GM-32 | 32 | 70 | 90 | 4-φ9 | 80 | 129/138 | 146 |
| GM-40 | 40 | 80 | 100 | 4-φ9 | 120 | 139/159 | 150 |
| GM-50 | 50 | 90 | 110 | 4-φ9 | 120 | 159/186 | 180 |
| Model 型号 |
DN | D1 | D | W | H/H1 | L |
| GM-10 | 10 | 12.2 | 30 | 65 | 89/99 | 75 |
| GM-16 | 16 | 17.2 | 30 | 80 | 89/99 | 108 |
| GM-20 | 20 | 26.2 | 40 | 80 | 91/102 | 118 |
| GM-25 | 25 | 26.2 | 40 | 80 | 110/123 | 120 |
| GM-32 | 32 | 34.2 | 55 | 80 | 129/138 | 146 |
| GM-40 | 40 | 41.2 | 55 | 120 | 139/159 | 150 |
| GM-50 | 50 | 52.2 | 75 | 120 | 159/186 | 18 |
注:表中尺寸为不带标准附件数据。另由于产品改进技术创新参数可能有一定变化,请咨询公司技术部门索取新数据。
|
|