
|
上海川沪阀门有限公司专业生产的SEG41W 卫生级隔膜阀专用于控制制药、饮用食类介质的各类管路或设备上作启闭及节流用,阀体和膜片的紧密配合提供阀体密封和阀座密封,确保了管道内部和外部环境完全隔绝,所以该阀门适用于无菌过程。 |
![]() |
卫生级隔膜阀 |
| 部件 | 材质 |
| 阀体 | 304不锈钢,316不锈钢 |
| 阀盖 | 304不锈钢,316不锈钢 |
| 阀瓣 | 304不锈钢,316不锈钢 |
| 隔膜 | 无毒橡胶 |
| 阀杆 | 304不锈钢,316不锈钢 |
| 手轮 | 铸铁、不锈钢 |
![]() |
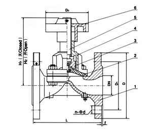
卫生级隔膜阀外形尺寸图 |
| DN | 公称压力 MPa |
工作压力 MPa |
L mm |
D mm |
D1 mm |
n-Фd mm |
f mm |
H1 mm |
H2 mm |
D0 mm |
| 15 | 1.6 | 1.6 | 108 | 95 | 65 | 4-14 | 2 | 84 | 92 | 66 |
| 20 | 117 | 105 | 75 | 4-14 | 2 | 93 | 105 | 66 | ||
| 25 | 127 | 115 | 85 | 4-14 | 2 | 100 | 112 | 66 | ||
| 32 | 146 | 140 | 100 | 4-18 | 2 | 127 | 144 | 96 | ||
| 40 | 159 | 150 | 110 | 4-18 | 2 | 136 | 156 | 96 | ||
| 50 | 190 | 165 | 125 | 4-18 | 2 | 151 | 177 | 96 | ||
| 65 | 1.0 | 1.0 | 216 | 185 | 145 | 4-18 | 2 | 183 | 213 | 165 |
| 80 | 254 | 200 | 160 | 8-18 | 2 | 190 | 230 | 230 | ||
| 100 | 305 | 220 | 180 | 8-18 | 2 | 242 | 285 | 280 | ||
| 125 | 356 | 250 | 210 | 8-18 | 3 | 285 | 348 | 280 | ||
| 150 | 406 | 285 | 240 | 8-22 | 3 | 353 | 431 | 368 | ||
| 200 | 0.6 | 521 | 340 | 295 | 8-22 | 3 | 445 | 537 | 483 |
注:表中尺寸为不带标准附件数据。另由于产品改进技术创新参数可能有一定变化,请咨询公司技术部门索取新数据。
|
|