
|
上海川沪阀门有限公司专业生产的Y42X水用减压阀属于直接作用式薄膜弹簧减压阀,主要由调节弹簧、膜片、活塞、阀座、阀瓣等零件组成,利用膜片直接传感下游压力驱动阀瓣,控制阀瓣开度完成减压稳压功能。 Y42X水用减压阀在城市建筑、高层建筑的冷热供水系统中,可取代常规分区水管,节省设备。也可在通常的冷热水管网中,起减压稳压作用。 本产品调压、稳压动作平稳,适用于水和非腐蚀性液体介质的管路。 |
![]() |
Y42X水用减压阀 |
| 公称压力(Mpa) | 1.0 | 1.6 | 2.5 |
| 壳体试验压力(Mpa) | 1.5 | 2.4 | 3.75 |
| 密封试验压力(Mpa) | 1.0 | 1.6 | 2.5 |
| 高进口压力(Mpa) | 1.0 | 1.6 | 2.5 |
| 出口压力范围(Mpa) | 0.2-0.8 | 0.2-1.0 | 0.4-1.6 |
| 压力特性偏差(Mpa)△P2P | GB12244-1989 | ||
| 流量特性偏差(Mpa)P2G> | GB12244-1989 | ||
| 渗漏量 | 0 | ||
| 工作温度 | 0℃-90℃ | ||
| *:壳体试验不包括膜片、阀盖 | |||
![]() |
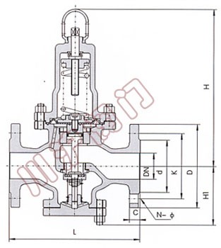
Y42X水用减压阀 外形尺寸图 |
| 公称通径DN | 外 形 尺 寸 | ||
| L | H | Hl | |
| 15 | 160 | 265 | 100 |
| 20 | 160 | 265 | 100 |
| 25 | 180 | 285 | 110 |
| 32 | 200 | 285 | 110 |
| 40 | 220 | 320 | 120 |
| 50 | 250 | 320 | 120 |
| 65 | 280 | 335 | 140 |
| 80 | 310 | 425 | 165 |
| 100 | 350 | 445 | 185 |
| 125 | 400 | 590 | 225 |
| 150 | 450 | 625 | 260 |
| 200 | 500 | 680 | 280 |
| 250 | 650 | 855 | 335 |
| 300 | 800 | 935 | 385 |
| 350 | 850 | 1015 | 430 |
| 400 | 900 | 1095 | 455 |
| 450 | 900 | 1165 | 500 |
| 500 | 950 | 1205 | 525 |
|
|