
|
上海川沪阀门有限公司专业生产的Y45Y杠杆式减压阀由阀体、阀盖、阀杆、阀瓣、阀座及杠杆等零件组成,采用双阀座、双锥体阀瓣的结构,杠杆式蒸汽减压阀采用压力平衡式阀瓣,升降调节,其调节机构采用杠杆式,可配用角行程电动执行机构,实现遥控和自动控制。本系列减压比用到0.6较为合适。Y45Y杠杆式蒸汽减压阀主要用于蒸汽管路,调节压力。关广泛应用在热电联产、轻纺、印染、石化、制糖等行业中。 |
![]() |
Y45Y杠杆式减压阀 |
| 公称压力(Mpa) | 1.6 | 2.5 | 4.0 | 6.4 | 10.0 | 16.0 |
| 壳体试验压力(Mpa)* | 2.4 | 3.75 | 6.0 | 9.6 | 15.0 | 24 |
| 密封试验压力(Mpa) | 1.6 | 2.5 | 4.4 | 7.04 | 11 | 17.6 |
| 高进口压力(Mpa) | 1.6 | 2.5 | 4.0 | 6.4 | 10.0 | 16.0 |
| 出口压力范围(Mpa) | 佳减压比0.6 | |||||
| 温度-压力等级 | ANSI B16.34 | |||||
| 渗漏量 | 0.5%QMax | |||||
![]() |
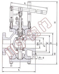
Y45Y杠杆式减压阀 外形尺寸图 |
| 公称通径DN | 外 形 尺 寸 | |||
| L | L1 | H | Hl | |
| 50 | 300 | 150 | 520 | 190 |
| 65 | 340 | 170 | 540 | 205 |
| 80 | 380 | 190 | 550 | 215 |
| 100 | 400 | 215 | 580 | 240 |
| 125 | 430 | 225 | 620 | 275 |
| 150 | 450 | 230 | 650 | 320 |
| 200 | 500 | 260 | 790 | 340 |
| 250 | 550 | 285 | 850 | 370 |
| 300 | 750 | 395 | 940 | 460 |
| 350 | 850 | 445 | 990 | 530 |
| 400 | 950 | 550 | 1120 | 660 |
| 500 | 1130 | 680 | 1660 | 800 |
订货须知:
产品型号 公称压力 公称通径 连接法兰标准 额定流量系数Cv 进口压力 调节范围 工作介质和介质温度
|
|