
|
上海川沪专业生产的QB2双口排气阀由阀体、阀盖、浮球等组成,安装于工作介质为水的管路上,以提高输送水设备的效率和保护管道不致变形破裂,是管道的必备之设备,双口排气阀用于压力输送水管道的吸气和排气。QB2法兰双口排气阀当需要排出管道内的气体时,应逆时针方向旋转阀杆,使其阀杆连同阀门上升,使管道内的空气在水的压强作用下进入体腔内,并从排气嘴排出,随之管道内的水充满体腔内,使浮球在水的浮力作用下,向上移动将排气嘴堵塞,达到自行密封,管道在正常行中,水中的空气在压强的作用下,不断排入排气阀的体腔上部,迫使浮球下降,离开原来密封位置,这时空气又从排气嘴排出,随之,浮球又恢复到原来位置自密封,因此,双口排气阀在正常工作中阀门始终是开着的,浮球不断重复上述动作,空气不断排出,当需要检修或清扫体腔时,应将阀门关闭。本排气阀,顺时针旋转阀杆时为关闭。 |
![]() |
QB2双口排气阀 |
| 壳体试验压力 | 阀体材料 | 浮球材料 | 适用介质 | 介质温度 |
| 1.5MPa | 铸铁、铸钢 | 不锈钢 | 清水 | ≤100℃ |
![]() |
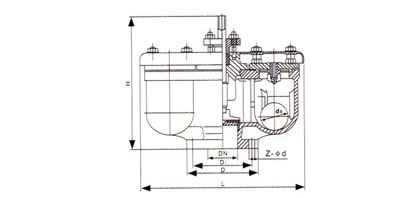
QB2双口排气阀外形尺寸图 |
| 公称通径 | D | D1 | D2 | D3 | H | Z-φd |
| DM(mm) | ||||||
| 25 | 115 | 85 | 65 | 140 | 285 | 4-14 |
| 50 | 160 | 125 | 102 | 160 | 340 | 4-14 |
| 80 | 195 | 160 | 135 | 205 | 490 | 4-18 |
| 100 | 215 | 180 | 158 | 240 | 545 | 8-18 |
| 150 | 280 | 240 | 212 | 300 | 615 | 8-23 |
| 200 | 335 | 295 | 268 | 380 | 730 | 8-23 |
注:表中尺寸为不带标准附件数据。另由于产品改进技术创新参数可能有一定变化,请咨询公司技术部门索取新数据。
|
|