
|
上海川沪阀门有限公司生产的对夹式硬密封蝶阀是采用一个"U"型不锈钢密封圈,蜗轮对夹式蝶阀内部精密的弹性密封圈与经过抛光的蝶板三维偏心接触。解决了传统偏心蝶阀在启闭0°~10°瞬间密封面仍处于滑动接触摩擦的弊病,实现蝶板在开启瞬间密封面即分离,关闭接触即密封的效果,达到延长使用寿命、密封性能佳的目的。因此对夹式硬密封蝶阀被广泛地应用到介质温度≤550℃的冶金、电力、石油、化工、空气、煤气、可燃气体以及给排水等腐蚀性介质的管道上,是调节流量和截断流体的佳装置。 |
![]() |
对夹式硬密封蝶阀 D373H/F |
| 公称通径 | DN(mm) | 50~1200 | ||||
|---|---|---|---|---|---|---|
| 公称压力 | PN(MPa) | 0.6 | 1.0 | 1.6 | 2.5 | 4.0 |
| 试验压力 | 强度试验 | 0.9 | 1.5 | 2.4 | 3.75 | 6.0 |
| 密封试验 | 0.66 | 1.1 | 1.76 | 2.75 | 4.4 | |
| 气密封试验 | 0.6 | 0.6 | 0.6 | 0.6 | 0.6 | |
| 适用介质 | 水、蒸气、油品、酸类腐蚀性等。 | |||||
| 驱动方式 | 手动、蜗轮传动、气动、电动 | |||||
| 适用温度 | 碳钢 :-29℃~600℃ 不锈钢-40℃~600℃ | |||||
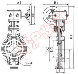
![]() |
对夹式硬密封蝶阀 外形尺寸图 |
| 公称通径 | 外形尺寸 | 连接尺寸(标准值) | |||||||||
|---|---|---|---|---|---|---|---|---|---|---|---|
| PN0.6MPa | PN1.0MPa | PN2.5MPa | PN40MPa | ||||||||
| 毫米 | 英寸 | L | H | D1 | Z-d | D1 | Z-d | D1 | Z-d | D1 | Z-d |
| 50 | 2 | 43 | 112 | 110 | 4-14 | 125 | 4-18 | 125 | 4-18 | 125 | 4-14 |
| 65 | 21/2 | 46 | 115 | 130 | 4-14 | 145 | 4-18 | 145 | 8-18 | 145 | 8-18 |
| 80 | 3 | 49 | 120 | 150 | 4-18 | 160 | 8-18 | 160 | 8-18 | 160 | 8-18 |
| 100 | 4 | 56 | 138 | 170 | 4-18 | 180 | 8-18 | 190 | 8-22 | 190 | 8-22 |
| 125 | 5 | 64 | 164 | 200 | 8-18 | 210 | 8-18 | 220 | 8-26 | 220 | 8-26 |
| 150 | 6 | 70 | 175 | 225 | 8-18 | 240 | 8-22 | 250 | 8-26 | 250 | 8-26 |
| 200 | 8 | 71 | 208 | 280 | 8-18 | 295 | 8-22 | 310 | 12-26 | 320 | 12-30 |
| 250 | 10 | 76 | 243 | 335 | 12-18 | 350 | 12-22 | 370 | 12-30 | 385 | 12-33 |
| 300 | 12 | 83 | 283 | 395 | 12-22 | 400 | 12-22 | 430 | 16-30 | 450 | 16-33 |
| 350 | 14 | 92 | 310 | 445 | 12-22 | 460 | 16-22 | 490 | 16-33 | 510 | 16-36 |
| 400 | 16 | 102 | 340 | 495 | 16-22 | 515 | 16-22 | 550 | 16-36 | 585 | 16-39 |
| 450 | 18 | 114 | 380 | 550 | 16-22 | 565 | 20-26 | 600 | 20-36 | 610 | 20-39 |
| 500 | 20 | 127 | 410 | 600 | 20-22 | 620 | 20-26 | 660 | 20-36 | 670 | 20-42 |
| 600 | 24 | 154 | 470 | 705 | 20-26 | 725 | 20-30 | 770 | 20-39 | / | / |
| 700 | 28 | 165 | 550 | 810 | 24-26 | 840 | 24-30 | 875 | 24-42 | / | / |
| 800 | 32 | 190 | 640 | 920 | 24-30 | 950 | 24-33 | 990 | 24-48 | / | / |
| 900 | 36 | 203 | 710 | 1020 | 24-30 | 1050 | 28-33 | 1090 | 28-48 | / | / |
| 1000 | 40 | 216 | 770 | 1120 | 28-30 | 1160 | 28-36 | 1210 | 28-56 | / | / |
| 1200 | 48 | 254 | 890 | 1340 | 32-33 | 1380 | 32-39 | 1420 | 32-56 | / | / |
蝶阀结构简单、体积小、重量轻,其组成部分也比较少,就关键的几个零部件就能构成了蝶阀,开启的时候也非常方便,只需要把开关选择到九十度即可,蝶阀对流体的控制非常好,可以随时增加流量或者减少流量,阀门在运输任何流体的时候都有一定的阻力,而蝶阀的阻力主要来自于其自身,比如蝶阀体的厚度,如果想减少对流体的阻力只需要降低其厚度即可。
弹性密封则具有受温度限制的缺陷。
蝶阀的运用范围也比较广,如果用来控制流量的话就需要选择不同的类型和阀体的大小了,因为蝶阀在设计的时候本身就比较适合一些口径比较大的阀门。蝶阀不仅在石油、煤气、化工、水处理等一般工业上得到广泛应用,而且还应用于热电站的冷却水系统。
1、在安装时,阀瓣要停在关闭的位置上。
2、开启位置应按蝶板的旋转角度来确定。
3、带有旁通阀的蝶阀,开启前应先打开旁通阀。
4、应按制造厂的安装说明书进行安装,重量大的蝶阀,应设置牢固的基础。
注:表中尺寸为不带标准附件数据。另由于产品改进技术创新参数可能有一定变化,请咨询公司技术部门索取新数据。
|
|