
|
上海川沪阀门有限公司生产的凸耳式美标蝶阀D373H、D373Y美标蝶阀,美标蝶阀的主要结构特征分为凸耳式、对夹式和法兰式等三偏心结构,其特点为:由于采用的是三偏心结构,密闭性能可靠,确保开启时蝶板不接触密封座,消除了密封座不均匀负载,延长了使用寿命、确保可靠的密封性能,具有耐高温、耐磨损、耐腐蚀等优点。D373H、D373Y 型美标蝶阀广泛应用于石油、化工及工业环保水处理、高层建筑、给排水等管道上。 |
![]() |
凸耳式美标蝶阀 D373H、D373Y |
| 公称通径 | Dn(in) | 2″-36″ | 2″-36″ |
|---|---|---|---|
| 公称压力 | PN(MPa) | 150Lb | 300Lb |
| 试验压力Ps(MPa) | 强度试验 | 3.0 | 7.5 |
| 密封试验 | 2.2 | 5.5 | |
| 适用介质 | 水、蒸汽、邮品、酸碱类、海水等 | ||
| 适用温度 | -40~425℃ | ||
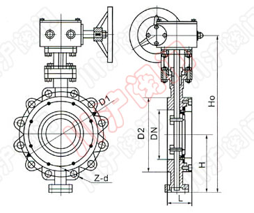
![]() |
凸耳式美标蝶阀 外形尺寸图 |
| 公称通径 | 结构长度 (标准值) | 外形尺寸 (参考值) | 连接尺寸 (标准值) | |||||
|---|---|---|---|---|---|---|---|---|
| L | H | H0 | D1 | D2 | M | Z-d | ||
| 6" | 150 | 70 | 175 | 545 | 241.5 | 216 | M20 | 8-22 |
| 8" | 200 | 71 | 210 | 615 | 298.5 | 270 | M20 | 8-22 |
| 10" | 250 | 76 | 250 | 695 | 362 | 324 | M24 | 12-25 |
| 12" | 300 | 86 | 285 | 830 | 432 | 381 | M24 | 12-25 |
| 14" | 350 | 92 | 320 | 900 | 476 | 413 | M27 | 12-29 |
| 16" | 400 | 102 | 355 | 980 | 540 | 470 | M27 | 16-29 |
| 18" | 450 | 114 | 380 | 1030 | 578 | 533 | M30 | 16-32 |
| 20" | 500 | 127 | 415 | 1110 | 635 | 584 | M30 | 20-32 |
| 24" | 600 | 154 | 475 | 1305 | 749.5 | 692 | M33 | 20-35 |
| 30" | 750 | 165 | 580 | 1525 | 914 | 857 | M33 | 28-35 |
| 36" | 900 | 203 | 680 | 1765 | 1085 | 1022 | M39 | 32-41 |
蝶阀结构简单、体积小、重量轻,其组成部分也比较少,就关键的几个零部件就能构成了蝶阀,开启的时候也非常方便,只需要把开关选择到九十度即可,蝶阀对流体的控制非常好,可以随时增加流量或者减少流量,阀门在运输任何流体的时候都有一定的阻力,而蝶阀的阻力主要来自于其自身,比如蝶阀体的厚度,如果想减少对流体的阻力只需要降低其厚度即可。
弹性密封则具有受温度限制的缺陷。
蝶阀的运用范围也比较广,如果用来控制流量的话就需要选择不同的类型和阀体的大小了,因为蝶阀在设计的时候本身就比较适合一些口径比较大的阀门。蝶阀不仅在石油、煤气、化工、水处理等一般工业上得到广泛应用,而且还应用于热电站的冷却水系统。
1、在安装时,阀瓣要停在关闭的位置上。
2、开启位置应按蝶板的旋转角度来确定。
3、带有旁通阀的蝶阀,开启前应先打开旁通阀。
4、应按制造厂的安装说明书进行安装,重量大的蝶阀,应设置牢固的基础。
注:表中尺寸为不带标准附件数据。另由于产品改进技术创新参数可能有一定变化,请咨询公司技术部门索取新数据。
|
|