
|
上海川沪阀门有限公司专业生产的D81F卫生级蝶阀采用卡箍式、圆螺纹式连接,具有结构简单、造型美观、装拆快捷,开关迅速,操作灵活,流体阻力小,使用安全可靠等优点。替代法兰,管螺纹、梯形螺纹等我国传统的连接方式所产生的缺点。可配合各种执行机构。卫生级蝶阀全部材料采用耐酸不锈钢材料,密封件采用食品硅橡胶或聚四氟乙烯材料,符合食品卫生规范。广泛适用于食品、酿酒、饮料、乳制品、精细化工制药及生物工程等众多行业。 |
![]() |
D81F卫生级蝶阀 |
规格:DN20-150,1″-6″
标准:DIN、SMS、ISO
材质:SUS304、SUS316L
![]() |
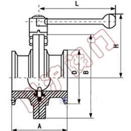
D81F卫生级蝶阀 外形尺寸图 |
| 规格(ISO) | A | B | D | L | H | Kg |
| 20 | 66 | 78 | 50.5 | 130 | 82 | 1.35 |
| 25 | 66 | 78 | 50.5 | 130 | 82 | 1.35 |
| 32 | 66 | 78 | 50.5 | 130 | 82 | 1.2 |
| 38 | 70 | 86 | 50.5 | 130 | 86 | 1.3 |
| 51 | 76 | 102 | 64 | 140 | 96 | 1.85 |
| 63 | 98 | 115 | 77.5 | 150 | 103 | 2.25 |
| 76 | 98 | 128 | 91 | 150 | 110 | 2.6 |
| 89 | 102 | 139 | 106 | 170 | 116 | 3.0 |
| 102 | 106 | 154 | 119 | 170 | 122 | 3.6 |
| 108 | 106 | 159 | 119 | 170 | 126 | 3.6 |
| 133 | 140 | 185 | 145 | 190 | 138 | 6.5 |
| 159 | 260 | 215 | 172 | 190 | 153 | 11 |
|
|