
|
上海川沪阀门有限公司专业生产的DSJ61H水封截止阀适用于公称压力PN2.5~4.0MPa,工作温度0~450℃的火力电站回水冷凝系统及石油、化工要求与大气隔离的系统管道上,切断或接通管路中的介质,适用介质为:水、油品、蒸汽和非腐蚀性气体。DSJ61H水封截止阀具有如下特点: 1.选材考究,符合国内外相关标准,材料全面质量高。 设计与制造:JB/T3595 结构长度:GB/T15188.1 压力温度等级:GB/T3595 试验与检验:GB13927 JB/T9092 |
![]() |
DSJ61H水封截止阀 |
| 设计与制造 | GB/T12235 | |
| 连接端尺寸 | 结构长度 | GB/T12221 |
| 焊端尺寸 | GB/T12224 | |
| 法兰尺寸 | JB/T79 | |
| 检验与试验 | JB/T9092 | |
| 材 料 | 碳钢 | ASME A105 ASME A216 |
| 标 志 | GB/T12220 | |
| 供 货 | JB/T7928 | |
![]() |
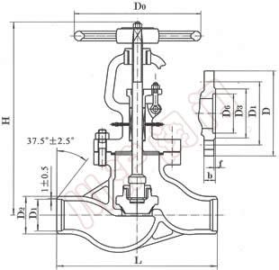
DSJ61H水封截止阀 外形尺寸图 |
| 公称通径 | 主要外形尺寸和连接尺寸 | ||||
| L | D | D1 | H | D0 | |
| DS/J61H-25 | |||||
| 15 | 130 | 36 | 19 | 11 | 120 |
| 20 | 150 | 44 | 26 | 11 | 140 |
| 25 | 160 | 44 | 33 | 12 | 140 |
| 32 | 180 | 48 | 34 | - | 180 |
| 40 | 200 | 55 | 40 | - | 200 |
| 50 | 230 | 64 | 50 | - | 250 |
| 65 | 290 | 82 | 65 | - | 250 |
| 80 | 310 | 94 | 78 | - | 300 |
| 100 | 350 | 117 | 97 | - | 350 |
| 125 | 400 | 144 | 122 | - | 400 |
| 150 | 480 | 170 | 148 | - | 400 |
| 200 | 600 | 220 | 197 | - | 400 |
|
|