
|
上海川沪生产的Q41M排污阀和高温球阀外形相近,主要区别是密封填料和球阀材质不一样,高温球阀适用于≤350℃的工况,而排污阀耐腐蚀、耐磨损,适用于管道或者储罐排污之用 ,性能可靠,使用寿命长,Q41M排污阀的球体、密封圈采用了特殊的加工工艺和新密封材料,使球体表面粗糙度和圆度达到标准要求,从而提高了密封性能和使用寿命、耐高温的能力。 |
![]() |
Q41M排污阀 |
序号 |
零部件名称 |
材料 |
1 |
阀体 |
球墨铸铁、碳素钢、铸不锈钢 |
2 |
密封圈 |
(M)高强度耐磨碳结石墨≤300℃ (PPN)对莅聚苯、温度≤350℃ |
3 |
球 |
不锈钢 |
4 |
填料 |
聚四氟乙烯 |
5 |
填料压盖 |
QT450-10球墨铸铁 |
6 |
阀杆 |
碳素钢、铬不锈钢 |
7 |
手柄 |
碳钢 |

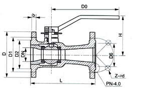
五、Q41M排污阀 外形尺寸
型号 |
规格 |
尺寸 |
||||||
L |
D |
D 1 |
D 2 |
z-φd |
H |
b |
||
Q41M-16 |
15 |
130 |
95 |
65 |
45 |
4-14 |
85 |
14 |
20 |
150 |
105 |
75 |
55 |
4-14 |
95 |
16 |
|
25 |
160 |
115 |
85 |
65 |
4-14 |
103 |
16 |
|
32 |
180 |
135 |
100 |
78 |
4-18 |
105 |
18 |
|
40 |
200 |
145 |
110 |
85 |
4-18 |
120 |
18 |
|
50 |
230 |
160 |
125 |
100 |
4-18 |
195 |
20 |
|
65 |
290 |
180 |
145 |
120 |
4-18 |
195 |
20 |
|
80 |
310 |
195 |
160 |
135 |
8-18 |
215 |
22 |
|
100 |
350 |
215 |
180 |
155 |
8-18 |
253 |
24 |
|
|
|