
|
上海川沪阀门有限公司生产的三通球阀,分为L型和T型两种,可以将两路流体合为一路,或者将一路流体分为两路,也可以进行流体换向,根据控制要求,可以有4种流向方案供用户选择(详见下图)。三通球阀可以代替两个直通阀使用,可以大大降低阀门使用成本。 |
![]() |
三通球阀 |
| 零件名称 | 材 质 | |
| GB | ASTM | |
| 阀体、阀盖 | WCB | A216-WCB |
| 密封圈 | PTFE、对位聚苯 | PTFE、对位聚苯 |
| 球体 | 1Cr18Ni9Ti | SS 304 |
| 阀座、阀杆 | 2Cr13 | A246-416 |
| 双头螺柱 | 35CrMoA | A193-B7 |
| 公称压力 PN(MPa) | 试验压力 | |||
| 壳体 Shell | 高压液密封 | 低压气密封 | ||
| 1.6 | 2.4 | 1.76 | 0.6 | |
| 2.5 | 3.75 | 2.75 | ||
| 4.0 | 6.0 | 4.4 | ||
| CLASS150 | 3.O | 2.2 | ||
| 适用工况 | 适用介质 | 水、油品、气等非腐蚀介质和酸碱腐蚀介质 | ||
| 适用温度 | -28-350℃ | |||
| 应用规范 | 连接法兰 | JB79-59、GB9113、HG20592-97、ANSI B16.5 | ||
| 检验试验 | GB9/T 9092-99、API 598 | |||
| 其余制造规范均按本厂标准 | ||||
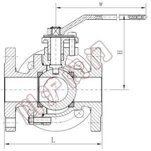
![]() |
三通球阀 外形尺寸图 |
| 主要 尺寸 |
公称通径 | |||||
| 65 | 80 | 100 | 125 | 150 | 200 | |
| L | 260 | 280 | 320 | 380 | 440 | 550 |
| H | 155 | 185 | 210 | 275 | 305 | 335 |
| W | 350 | 420 | 700 | 1000 | 1300 | 1800 |
|
|