
|
上海川沪阀门有限公司生产的PZ73X_PZ73H型刀型闸阀,刀型闸阀 它的启闭件是闸板,闸板的运动方向与流体方向相垂直,靠可以切割纤维材料的刀刃形闸板来切断介质,闸板有两个密封面,常用的模式闸板阀的两个密封面形成楔形、楔形角随阀门参数而异,通常为50,楔式刀型闸阀的闸板可以做成一个整体,叫做刚性闸板;也可以做成能产生微量变形的闸板,以改善其工艺性,弥补密封面角度在加工过程中产生的偏差,这种闸板叫做弹性闸板。阀体实际上不存在腔室,闸板在侧面导向槽内升降,并由底部的凸耳紧压在阀座上,如需达到较高的介质密封性时,可选用O形密封阀座实现双向密封。刀闸阀具有较小的安装空间,工作压力低,不易堆积杂物,价格较低。
刀型闸阀关闭时,密封面可以只依靠介质压力来密封,即依靠介质压力将闸板的密封面压向另一侧的阀座来保证密封面的密封,这就是自密封.大部分刀型闸阀是采用强制密封的,即阀门关闭时,要依靠外力强行将闸板压向阀座,以保证密封面的密封性。本类阀门在管道中一般应当水平安装。 |
![]() |
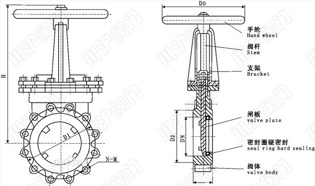
手动刀型闸阀 PZ73H |
| 型号 | 材料 | |||
|---|---|---|---|---|
| 阀体 | 阀杆 | 密封面 | 填料 | |
| PZ73H-10C/16C | WCB | 2Cr13 | 硬质合金、聚四氟乙烯 | V型聚四氟乙烯、柔性石墨环 |
| PZ73F-10P/16P | ZG1Cr18Ni9Ti | 1Cr18Ni9Ti | ||
| PZ73Y-10P/16P | CF8 (304) | 0Cr18Ni9 (304) | ||
![]() |
手动刀型闸阀 外形尺寸图 |
| MPa | DN | L | D1 | D2 | H | N-M | D0 | W(Kg) |
|---|---|---|---|---|---|---|---|---|
| 1.0 | 50 | 48 | 100 | 125 | 285 | 4-M16 | 180 | 8 |
| 65 | 48 | 120 | 145 | 298 | 4-M16 | 180 | 10 | |
| 80 | 51 | 135 | 160 | 315 | 4-M16 | 220 | 12 | |
| 100 | 51 | 155 | 180 | 365 | 8-M16 | 220 | 14 | |
| 125 | 57 | 185 | 210 | 400 | 8-M16 | 230 | 22 | |
| 150 | 57 | 210 | 240 | 475 | 8-M20 | 280 | 29 | |
| 200 | 70 | 265 | 295 | 540 | 8-M20 | 360 | 38 | |
| 250 | 70 | 320 | 350 | 630 | 12-M20 | 360 | 66 | |
| 300 | 76 | 368 | 400 | 780 | 12-M20 | 400 | 100 | |
| 350 | 76 | 428 | 460 | 885 | 16-M20 | 400 | 119 | |
| 400 | 89 | 482 | 515 | 990 | 16-M22 | 400 | 195 | |
| 450 | 89 | 532 | 565 | 1100 | 20-M22 | 530 | 285 | |
| 500 | 114 | 585 | 620 | 1200 | 20-M22 | 530 | 389 | |
| 600 | 114 | 685 | 725 | 1450 | 20-M27 | 600 | 529 | |
| 700 | 127 | 800 | 840 | 1700 | 24-M27 | 600 | 790 | |
| 800 | 127 | 898 | 950 | 2000 | 24-M30 | 680 | 850 | |
| 900 | 154 | 998 | 1050 | 2300 | 28-M30 | 680 | 900 | |
| 1000 | 165 | 1110 | 1160 | 2500 | 28-M30 | 700 | 1050 | |
| 1200 | 190 | 1325 | 1380 | 2800 | 32-M36 | 800 | 1300 | |
| 1.6 | 50 | 48 | 100 | 125 | 285 | 4-M16 | 180 | 8.5 |
| 65 | 48 | 120 | 145 | 295 | 4-M16 | 180 | 10.7 | |
| 80 | 51 | 135 | 160 | 315 | 8-M16 | 220 | 13 | |
| 100 | 51 | 155 | 180 | 365 | 8-M16 | 220 | 15 | |
| 125 | 57 | 185 | 210 | 400 | 8-M16 | 230 | 23.5 | |
| 150 | 57 | 210 | 240 | 475 | 8-M20 | 280 | 31 | |
| 200 | 70 | 265 | 295 | 540 | 12-M20 | 360 | 40.7 | |
| 250 | 70 | 320 | 355 | 630 | 12-M20 | 360 | 70 | |
| 300 | 76 | 375 | 410 | 780 | 12-M22 | 400 | 107 | |
| 350 | 76 | 435 | 470 | 885 | 16-M22 | 400 | 129 | |
| 400 | 89 | 485 | 525 | 990 | 16-M27 | 400 | 215 | |
| 450 | 89 | 545 | 585 | 1100 | 20-M27 | 530 | 305 | |
| 500 | 114 | 608 | 650 | 1200 | 20-M30 | 530 | 410 | |
| 600 | 114 | 718 | 770 | 1450 | 20-M36 | 600 | 550 | |
| 700 | 127 | 788 | 840 | 1700 | 24-M36 | 600 | 820 | |
| 800 | 127 | 898 | 950 | 2000 | 24-M36 | 680 | 950 | |
| 900 | 154 | 998 | 1050 | 2300 | 28-M36 | 680 | 1020 | |
| 1000 | 165 | 1110 | 1170 | 2500 | 28-M42 | 700 | 1120 | |
| 1200 | 190 | 1325 | 1390 | 2800 | 32-M48 | 800 | 1480 |
1)、安装位置、高度、进出口方向必须符合设计要求,连接应牢固紧密。
2)、安装在保温管道上的各类手动阀门,手柄均不得向下。
3)、阀门安装前必须进行外观检查,阀门的铭牌应符合现行国家标准《通用阀门标志》GB 12220的规定。对于工作压力大于1.0 MPa 及在主干管上起到切断作用的阀门,安装前应进行强度和严密性能试验,合格后方准使用。强度试验时,试验压力为公称压力的1.5倍,持续时间不少于5min,阀门壳体、填料应无渗漏为合格。严密性试验时,试验压力为公称压力的1.1倍;试验压力在试验持续的时间应符合GB 50243标准要求,以阀瓣密封面无渗漏为合格。
4)、手轮、手柄及传动机构均不允许作起吊用,严禁碰撞。
5)、带传动机构的闸阀,按产品使用说明书的规定安装。
注:表中尺寸为不带标准附件数据。另由于产品改进技术创新参数可能有一定变化,请咨询公司技术部门索取新数据。
|
|