
|
海川沪阀门有限公司专业生产的CS45H钟形浮子式蒸汽疏水阀用来自动排除蒸汽加热设备及蒸汽管网中的凝结水,提高加热效率。用于石油、化工、食品、印染、纺织、医药等行业的蒸汽设备。以下场合应优先考虑选择钟形浮子式蒸汽疏水阀:蒸汽加热设备,凝结水回收场合。 产品特点: ① 钟形浮子式蒸汽疏水阀对凝结水的发生量适应性强,既可间歇排放,又可连续排放② 内部装有大排量的双阀座差压机械和 SCCV 关闭系统,体积小而排量大。③ 内部零件全部采用不锈钢制造,并且安装在阀盖上,维修保养极为方便。④ 汽水分离可靠:水汽经 U 型通道从阀下部进入,阀内始终处于水封状态,有效阻止蒸汽泄漏。⑤ 敝口形的浮子抗水击,吊桶上设有溢出排气孔,可有效防止蒸汽汽锁,空气气堵现象(非凝结性的高温空气也可排除)。 |
![]() |
CS45H钟形浮子式疏水阀 |
| 型号 | PN | 工作压力/MPa | 适用温度/℃ | 适用介质 |
| CS15H-16 CS45H-16 | 16 | 1.6 | ≤200 | 水、蒸汽 |
| CS15H-16C CS45H-16C | 16 | 1.6 | ≤425 | 水、蒸汽 |
| CS15H-16P | 16 | 1.6 | ≤425 | 水、蒸汽 |
![]() |
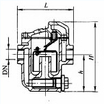
CS45H钟形浮子式疏水阀外形尺寸图 |
| CS45H-16C | |||
| DN | 15 | 20 | 25 |
| L | 230 | 230 | 310 |
| H | 150 | 190 | 310 |
| h | 80 | 100 | 185 |
| 重量/kg | 5.5 | 8.0 | 20.0 |
注:表中尺寸为不带标准附件数据。另由于产品改进技术创新参数可能有一定变化,请咨询公司技术部门索取新数据。
|
|