
|
上海川沪阀门有限公司专业生产的杠杆浮球式蒸汽疏水阀,广泛用于工业蒸汽加热设备、各种大型热交换器及干燥机、夹套锅等,特别应用于冷凝水特大排量在的工作场合。杠杆浮球式蒸汽疏水阀是具有超大排量型蒸汽疏水阀,在整个工作压力范围内无须调整和更换内件,即可充分排除大量的凝结水,排水过冷度可达0℃,特别适合用于凝结水量大的工作场合。 |
![]() |
杠杆浮球式蒸汽疏水阀 |
| 零件名称 | 材料 |
| 阀体、阀盖 | WCB、HT250、不锈钢 |
| 阀座、阀芯 | 不锈钢 |
| 浮球 | 不锈钢 |
| 控制架 | 不锈钢 |
| 热敏元件 | 哈氏合金 |
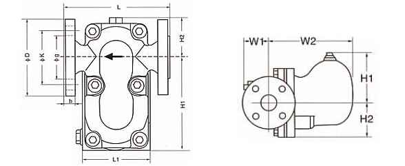
![]() |
杠杆浮球式蒸汽疏水阀外形尺寸图 |
| 产品型号 | 公称通径DN e | 连接方式 | 使用压力 MPa | 温度 ℃ | 外形尺寸 | ||
| L | H1 | H2 | |||||
| SFT14-16 | 15-20 | 螺纹 | 0.01~1.6 | 250 | 125 | 55 | 55 |
| SFT14-16 | 15-25 | 螺纹 | 0.01~1.6 | 250 | 190 | 120 | 80 |
| SFT44-16 SFT43 SFT46 | 15-20 15-20 25 | 法兰 | 0.01~1.6 | 350 | 195 215 | 85 | 115 |
| 32-50 65-80 | 法兰 | 0.01~1.6 | 350 | 230 270 | 175 218 | 110 125 | |
| SUNA23/26H | 15-20 25 32-50 | ||||||
注:表中尺寸为不带标准附件数据。另由于产品改进技术创新参数可能有一定变化,请咨询公司技术部门索取新数据。
|
|