
|
上海川沪阀门有限公司专业生产的BX44W三通保温旋塞阀又三通称夹套旋塞阀,是在普通三通旋塞阀的基础上,在旋塞阀阀体外部焊装金属夹套。在阀体两测装有夹套接口,可通入蒸气或其它过热气体,以保护阀内介质不会在常温下凝固或结晶。同一规格口径的情况下,保温旋塞阀的连接尺寸要比普通旋塞阀大一到两个规格。BX44W三通保温旋塞阀主要用于石油、化工、冶金、制药等各类系统。 |
![]() |
BX44W三通保温旋塞阀 |
| 型号 | 公称压力 PN(MPa) |
试验压力PS(MPa) | 工作压力 P(MPa) |
适用介质 | 工作温度 (℃) |
|
| 壳体 | 密封 | |||||
| BX44W-1.0P | 1.0 | 1.5 | 1.1 | 1.0 | 硝酸类等 | ≤250 |
| BX44W-1.0C | 1.0 | 1.5 | 1.1 | 1.0 | 非腐蚀、弱腐蚀 | ≤200 |
| 零件名称 | 阀体、塞子 | 填料 |
| BX43W-1.0P BX43W-1.0R |
不锈钢 | 石墨盘根+304 |
| BX43W-1.0C | 铸钢 |
![]() |
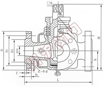
BX44W三通保温旋塞阀 外形尺寸图 |
| 口径(DN) | L | D | D1 | D2 | z-φd |
| 20 | 150 | 105 | 75 | 55 | 4╳14 |
| 25 | 160 | 115 | 85 | 65 | 4╳14 |
| 32 | 190 | 135 | 100 | 78 | 4╳18 |
| 40 | 200 | 145 | 110 | 85 | 4╳18 |
| 50 | 220 | 160 | 125 | 100 | 4╳18 |
| 65 | 280 | 180 | 145 | 120 | 4╳18 |
| 80 | 300 | 195 | 160 | 135 | 4╳18 |
| 100 | 340 | 215 | 180 | 155 | 8╳18 |
| 125 | 350 | 245 | 210 | 185 | 8╳18 |
| 150 | 400 | 280 | 240 | 210 | 8╳23 |
| 200 | 450 | 335 | 295 | 265 | 8╳23 |
| 250 | 530 | 390 | 350 | 320 | 8╳23 |
| 300 | 580 | 440 | 400 | 368 | 8╳23 |
|
|