
|
上海川沪阀门有限公司专业生产的UJ41H美标柱塞阀全部采用美国国家标准 (ANSl)及美国石油学会标准(APl)的连接、结构尺寸,内件采用国际(GB)尺寸。压力等级从150lb到600lb,材质主要有WCB、304、316等,也可以配上气缸或者电装组成电动柱塞阀或气动柱塞阀。 |
![]() |
美标柱塞阀 |
![]() |
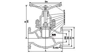
美标柱塞阀 外形尺寸图 |
| DN(mm)/ 尺寸 (mm) |
UJ41H(Y)-150Lb U41SM-150Lb | ||||||||||
| 1/2″ | 3/4″ | 1″ | 11/4″ | 11/2″ | 2″ | 21/2″ | 3″ | 4″ | 5″ | ||
| L | 108 | 117 | 127 | 140 | 165 | 203 | 216 | 241 | 292 | 356 | |
| H | 170 | 190 | 210 | 250 | 270 | 300 | 340 | 380 | 420 | 450 | |
| DO | 100 | 100 | 120 | 140 | 160 | 180 | 200 | 240 | 270 | 310 | |
| D | 89 | 98 | 108 | 117 | 127 | 152 | 178 | 190 | 229 | 254 | |
| D1 | 60.5 | 70 | 79.5 | 89 | 98.5 | 120.5 | 139.5 | 152.5 | 190.5 | 216 | |
| g | 35 | 43 | 51 | 64 | 73 | 92 | 105 | 127 | 157 | 186 | |
| b | 10 | 111 | 12 | 13 | 15 | 16 | 18 | 19 | 24 | 24 | |
| Z-φd | 4-15 | 4-15 | 4-15 | 4-15 | 4-15 | 4-19 | 4-19 | 4-19 | 8-19 | 8-22 | |
| DN(mm)/ 尺寸 (mm) |
UJ41H(Y)-300Lb U41SM-300Lb | ||||||||||
| 1/2″ | 3/4″ | 1″ | 11/4″ | 11/2″ | 2″ | 21/2″ | 3″ | 4″ | 5″ | ||
| L | 152 | 178 | 203 | 216 | 229 | 267 | 292 | 318 | 356 | 400 | |
| H | 170 | 190 | 210 | 250 | 270 | 300 | 340 | 380 | 420 | 460 | |
| DO | 100 | 100 | 120 | 140 | 160 | 180 | 200 | 240 | 280 | 310 | |
| D | 95 | 117 | 124 | 133 | 156 | 165 | 190 | 210 | 254 | 279 | |
| D1 | 66.5 | 82.5 | 89 | 98.5 | 114.5 | 127 | 149 | 168.5 | 200 | 235 | |
| g | 35 | 43 | 51 | 64 | 73 | 92 | 105 | 127 | 157 | 186 | |
| b | 15 | 16 | 18 | 19 | 21 | 23 | 26 | 29 | 32 | 35 | |
| Z-φd | 4-15 | 4-19 | 4-19 | 4-19 | 4-22 | 8-19 | 8-22 | 8-22 | 8-22 | 8-22 | |
|
|