
|
上海川沪阀门有限公司专业生产的UJ641H气动柱塞截止阀采用双作用气缸,利用上腔进气或者下腔进气来远距离控制阀门,操作方便、灵活。气缸使用介质:压缩空气,氮气。气动柱塞截止阀结构简单、制造和维护方便;工作行程小,启闭时间短;关闭体(阀瓣)与阀座密封面采用锥面密封,关闭力小,耐冲刷,密封可靠。气动截止阀阀座可为更换式阀座,可任意组合与关闭件密封面材料的配对,以满足工况要求,延长使用寿命。 |
![]() |
UJ641H气动柱塞截止阀 |
| 设计与制造 | GB/T12235 | |
| 连接端尺寸 | 结构长度 | GB/T12221 |
| 法兰尺寸 | JB/T79 | |
| 检验与试验 | JB/T9092 | |
| 材 料 | 碳钢 | GB/T12229 |
| 不锈钢 | GB/T12230 | |
| 合金钢 | Q/ZB66 | |
| 标 志 | GB/T12220 | |
| 供 货 | JB/T7928 | |
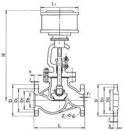
![]() |
UJ641H气动柱塞截止阀 外形尺寸图 |
| 公称压力 PN(MPa) |
公称通径 DNmm) |
标准值 | ||||||||
| L | D | D1 | n2 | D6 | b | f | f1 | Z-φd | ||
| 1.6 | 50 | 230 | 160 | 125 | 100 | 16 | 3 | 4-φ18 | ||
| 65 | 290 | 180 | 145 | 120 | 18 | 3 | 4-φ18 | |||
| 80 | 310 | 195 | 160 | 135 | 20 | 3 | 8-φ18 | |||
| 100 | 350 | 215 | 180 | 155 | 20 | 3 | 8-φ18 | |||
| 125 | 400 | 254 | 210 | 185 | 22 | 3 | 8-φ18 | |||
| 150 | 480 | 280 | 240 | 210 | 24 | 3 | 8-φ23 | |||
| 200 | 600 | 335 | 295 | 265 | 26 | 3 | 12-φ23 | |||
| 250 | 622 | 405 | 355 | 320 | 30 | 3 | 12-φ25 | |||
| 300 | 698 | 460 | 410 | 375 | 30 | 4 | 12-φ25 | |||
| 2.5 | 50 | 230 | 160 | 125 | 100 | 20 | 3 | 4-φ18 | ||
| 65 | 290 | 180 | 145 | 120 | 22 | 3 | 8-φ18 | |||
| 80 | 310 | 195 | 160 | 135 | 22 | 3 | 8-φ18 | |||
| 100 | 350 | 230 | 190 | 160 | 24 | 3 | 8-φ23 | |||
| 125 | 400 | 270 | 220 | 188 | 28 | 3 | 8-φ25 | |||
| 150 | 480 | 300 | 250 | 218 | 30 | 3 | 8-φ25 | |||
| 200 | 600 | 360 | 310 | 278 | 34 | 3 | 12-φ25 | |||
| 250 | 622 | 425 | 370 | 332 | 36 | 3 | 12-φ30 | |||
| 300 | 698 | 485 | 430 | 390 | 40 | 4 | 16-φ30 | |||
|
|